blog
Maison blog

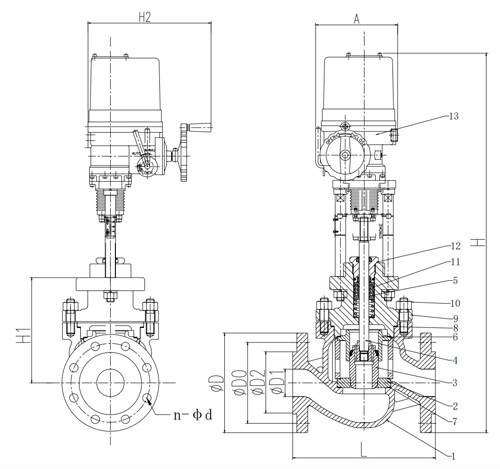
Vanne de régulation à simple siège à équilibrage de pression électrique avec double clapet de chaque côté

archives
ÉTIQUETTES

Vanne de régulation à simple siège à équilibrage de pression électrique avec double clapet de chaque côté

November 30, -0001

Introduction:

 

Dans le monde dynamique des processus industriels, la précision du contrôle est primordiale. Découvrez la solution révolutionnaire de GEKO. Vanne de régulation à siège unique à équilibrage de pression électrique avec double clapet De chaque côté, une solution de pointe conçue pour élever vos capacités de contrôle à des niveaux sans précédent.

 

Electric-Pressure-Balance-Single-Seat-Control-Valve-with-a-Double-Flap-On-Each-Side.jpg

 

Caractéristiques principales :

 

La précision redéfinie :

GEKO's Valve d'équilibrage de pression électrique Conçu pour offrir une précision inégalée dans le contrôle des débits et de la pression, ce régulateur est doté d'un double clapet de chaque côté, garantissant une modulation réactive et précise et un contrôle optimal des procédés dans diverses applications.

 

Technologie d'équilibrage de pression :

La technologie d'équilibrage de pression intégrée dans ce vanne de régulation Garantit stabilité et fiabilité de fonctionnement. Bénéficiez de performances constantes, même dans des conditions de process difficiles et fluctuantes, grâce à l'engagement de GEKO envers une ingénierie de pointe.

 

Avantage du double rabat :

La conception à double clapet de chaque côté de la vanne est révolutionnaire. Elle améliore la précision du contrôle, minimise l'hystérésis et optimise le temps de réponse. Cette innovation positionne GEKO comme un leader dans le domaine des vannes de régulation.

 

La polyvalence déchaînée :

Que vous travailliez dans les secteurs de la chimie, de la pétrochimie, de la production d'énergie ou dans d'autres industries de procédés, la vanne d'équilibrage de pression électrique GEKO est conçue pour s'adapter à une vaste gamme d'applications. Sa polyvalence en fait une solution de choix pour les ingénieurs et les opérateurs à la recherche d'une vanne de régulation fiable et adaptable.

 

Intégration transparente :

L'intégration aux systèmes de contrôle existants est transparente, permettant une mise à niveau sans tracas de votre installation actuelle. Profitez des avantages de la technologie de contrôle moderne sans les perturbations liées à des modifications importantes.

 

Construction robuste :

GEKO comprend les exigences des environnements industriels. La vanne de régulation est conçue pour durer, avec une construction robuste qui garantit sa longévité et un entretien minimal, contribuant ainsi à une rentabilité globale.

 

Conclusion:


La vanne de régulation à siège unique à équilibrage de pression électrique de GEKO, dotée d'un double clapet de chaque côté, représente une solution révolutionnaire pour les industries exigeant précision, efficacité et fiabilité. Optimisez vos capacités de contrôle et gardez une longueur d'avance sur la concurrence grâce à l'engagement de GEKO envers l'innovation et l'excellence. Investissez dans l'avenir des technologies de contrôle : choisissez GEKO. info@geko-union.com

 

laisser un message

laisser un message
Si vous êtes intéressé par nos produits et souhaitez en savoir plus, veuillez laisser un message ici, nous vous répondrons dès que possible.
SOUMETTRE

Maison

PRODUITS

contact